Установки обратного осмоса 250-1000 л/ч

Установка предназначена для получения обессоленной воды и может использоваться в промышленной водоподготовке для различных технологических процессов предприятия. Предлагаемая установка – это долговечное оборудование, которое при надлежащем уходе прослужит долгие годы. Доступны модели с производительностью 250, 500, 750, а также 1000 л/ч.

Установка обратного осмоса 250-1000 л/ч

Особенности:

  • Полностью автоматизированная система
  • Каркас из нержавеющей стали
  • Компактная конструкция
  • Водосберегающий контур

Состав установки:

  • Входной барьерный фильтр 5 мкм
  • Насос высокого давления
  • Датчики электропроводности на ветке пермеата и входе в установку для контроля качества воды
  • Высокоэффективные мембраны DOW
  • Контур рецикла для сбережения воды (эффективность работы до 75%)
  • Ротаметры для концентрата, пермеата, рецикла
  • Реле низкого давления для защиты работы насоса при отсутствии воды
  • Блок управления

Опции:

  • Станция дозирования антискаланта
  • Блок предварительной подготовки воды со станцией умягчения
  • Блок химической мойки

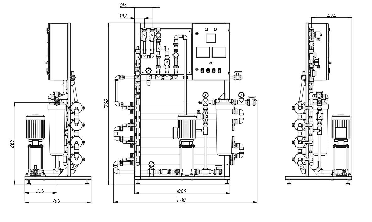
Установка обратного осмоса 250-1000 л/ч - Чертеж общего вида

Технические характеристики:    
Производительность, не более, л/ч

 250

500

750 

1000 

Расход исходной воды, не более, л/ч

 340

670 

1000 

1330 

Электропроводность пермеата, мкСм/см 
(зависит от качества исходной воды)

 5-20

Количество мембран типа 4040, шт.

 1

2

Напряжение питания, В

 380

с частотой тока, Гц

 50

Потребляемая мощность, не более, кВт

 1,95

2,2 

2,2 

2,2 

Подключение исходной воды трубой

 DN25

Подключение пермеата трубой

 DN20

Подключение концентрата трубой

 DN20

Габаритные размеры, не более, мм

 1510x700x1700

Вес, не более, кг

 120

125

130 

135