Блочно-модульная система очистки ливневых стоков
1.1 Состав оборудования для ливневых стоков
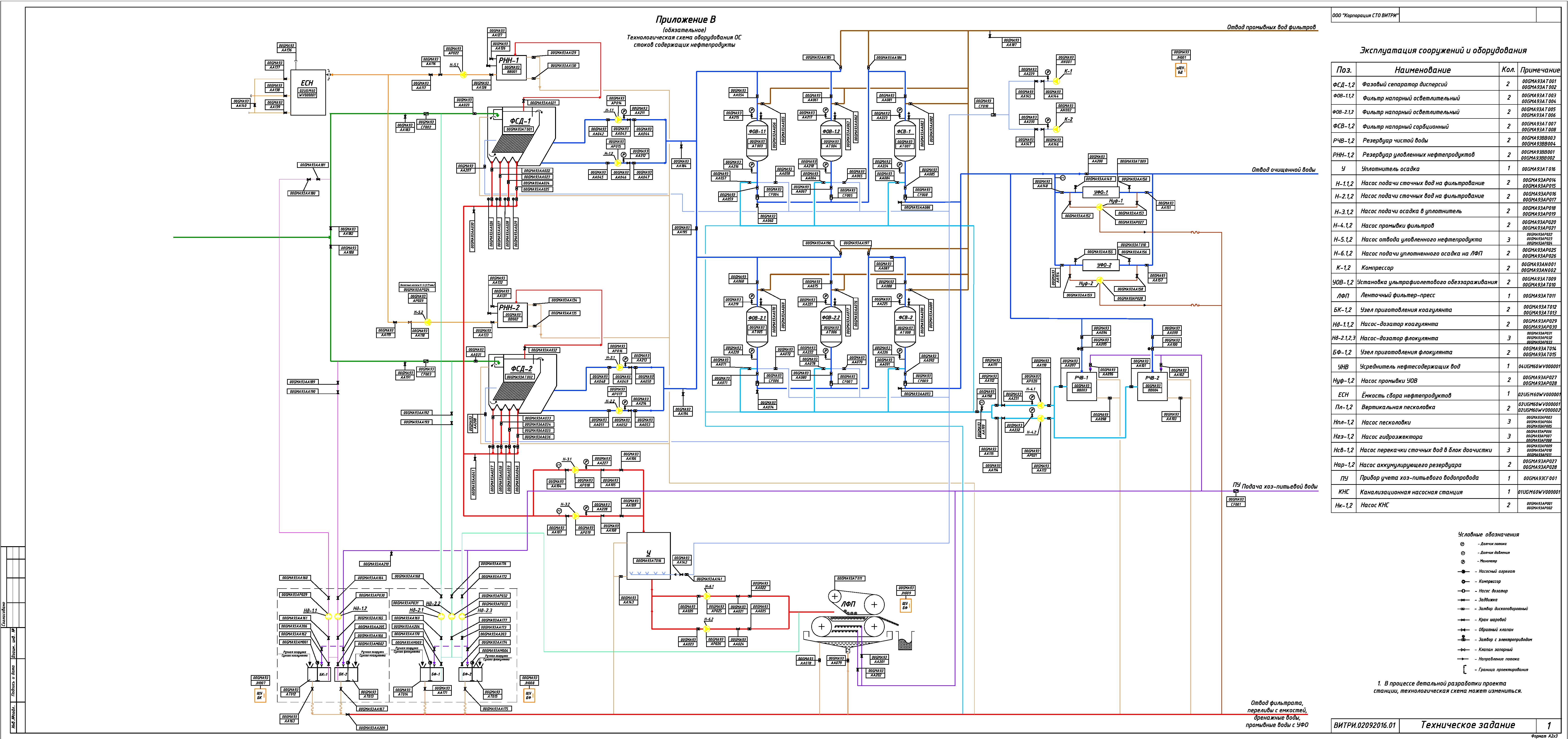
Оборудование (блок) поставляется в блочно-модульном надземном исполнении и предназначен для очистки ливневых стоков. Производительность блока доочистки 60 м3/ч. Габариты 24400х8800х6000 мм. Масса 322 т. Установленная мощность станции не более 125,5 кВт. Блок включает в себя две технологические линии очистки сточных вод, производительность каждой линии 30 м3/ч. Материал ограждающих конструкций: сэндвич панели. Блок состоит из 24 блоков-контейнеров.
Технологическая схема (для увеличения нажми на картинку ниже)
Состав оборудования блоков-контейнеров представлен в таблице 2.
Поз. На схеме | Наименование и техническая характеристика | Тип, марка | Кол-во |
БК1 | Блок-контейнер №1 | - | Комплект |
ФСД-1 | Фазовый сепаратор дисперсий в комплекте с блоком тонкослойных модулей. Производительность – 30 м3/ч | V3 | 1 шт. |
- | Комплект трубопроводной обвязки, запорно-регулирующей арматуры и КИП | - | Комплект |
БК2 | Блок-контейнер №2 | - | Комплект |
РНН-1,2 | Резервуар уловленных нефтепродуктов | V3 | 2 шт. |
Н-5.1 Н-5.2 | Насос уловленного нефтепродукта. Производительность – 2,5 м3/час Напор – до 60 м Мощность – 1,5 кВт, 3 ф. | НМШ 5-25-2,5-6
| 2 шт.
|
Н-1.1 Н-1.2 Н-2.1 Н-2.2 | Насос подачи сточных вод на фильтрование Производительность – 30 м3/час Напор – до 30 м Мощность – 4,0 кВт, 3 ф. | Pedrollo F40/160A | 4 шт.
|
СМ-1.1 СМ-2.1 | Смеситель коагулянта | V3 | 2 шт. |
СМ-1.2 СМ-2.2 | Смеситель флокулянта | V3 | 2 шт. |
- | Комплект трубопроводной обвязки, запорно-регулирующей арматуры и КИП | - | Комплект |
БК3 | Блок-контейнер №3 | - | Комплект |
ФСД-2 | Фазовый сепаратор дисперсий в комплекте с блоком тонкослойных модулей Производительность – 30 м3/ч | V3 | 1 шт. |
- | Комплект трубопроводной обвязки, запорно-регулирующей арматуры и КИП | - | Комплект |
БК4 | Блок-контейнер №4 | - | Комплект |
У | Уплотнитель осадка | V3 | 1 шт. |
- | Комплект трубопроводной обвязки, запорно-регулирующей арматуры и КИП | - | Комплект |
БК5 | Блок-контейнер №5 | - | Комплект |
Н-6.1 Н-6.2 | Насос подачи уплотнённого осадка на фильтр-пресс Производительность – 6,8 м3/час Напор – до 60 м Мощность – 3,0 кВт, 3 ф. | SP-H-38-01.S.04
| 2 шт.
|
Н-4.1 Н-4.2
| Насос промывки фильтров Производительность – 54 м3/час Напор – до 32 м Мощность – 7,5 кВт, 3 ф. | Pedrollo F50/160A | 2 шт. |
Н-3.1 Н-3.2 | Насос подачи осадка в уплотнитель Производительность – 19,5 м3/час Напор – 18 м Мощность – 0,55 кВт, 3 ф. | Pedrollo
pro-nga 1b
| 2 шт. |
- | Комплект трубопроводной обвязки, запорно-регулирующей арматуры и КИП | - | Комплект |
БК6 | Блок-контейнер №6 | - | Комплект |
ЛФП | Ленточный фильтр-пресс Производительность – до 8 м3/час Мощность – 3,0 кВт | DY750 | 1 шт. |
БК-1 | Узел приготовления коагулянта, в т. ч.: | V3 | 2 шт. |
Нд-1.1 Нд-1.2
| Насос дозатор коагулянта Производительность - 15 л/час Напор – до 4 бар Мощность – 58 Вт | DLX-MA/AD 15-4
| 2 шт.
|
- | Шкаф распределительный | - | 2 шт. |
БФ-1 | Узел приготовления флокулянта, в т. ч.: | V3 | 2 шт. |
Нд-2.1 Нд-2.2 Нд-2.3 | Насос дозатор коагулянта Производительность - 60 л/час Напор – 11 бар Мощность – 0,18 кВт | Etatron ST-D CA 60-11, | 3 шт. |
- | Шкаф распределительный | - | 2 шт. |
- | Комплект трубопроводной обвязки, запорно-регулирующей арматуры и КИП | - | Комплект |
БК7 | Блок-контейнер №7 | - | Комплект |
РЧВ-1 | Резервуар чистой воды | V3 | 1 шт. |
ФСВ-1 | Фильтр напорный сорбционный | V3 | 1 шт. |
- | Комплект трубопроводной обвязки, запорно-регулирующей арматуры и КИП | - | Комплект |
БК8 | Блок-контейнер №8 | - | Комплект |
УОВ-1,2 | Установка ультрафиолетового обеззараживания | УОВ | 2 шт. |
- | Комплект трубопроводной обвязки, запорно-регулирующей арматуры и КИП | - | Комплект |
БК9 | Блок-контейнер №9 | - | Комплект |
РЧВ-2 | Резервуар чистой воды | V3 | 1 шт. |
ФСВ-2 | Фильтр напорный сорбционный | V3 | 1 шт. |
- | Комплект трубопроводной обвязки, запорно-регулирующей арматуры и КИП | - | Комплект |
БК10 | Блок-контейнер №10 | - | Комплект |
ФОВ-1.1 ФОВ-1.2 | Фильтр напорный осветлительный
| V3 | 2 шт. |
- | Комплект трубопроводной обвязки, запорно-регулирующей арматуры и КИП | - | Комплект |
БК11 | Блок-контейнер №11 | - | Комплект |
К-1 К-2 | Компрессор Производительность - 240 л/мин Рабочее давление – 9,75 бар Мощность – 2,0 кВт | Atlas Copco GX 2EP 10FF TM(200 | 2 шт. |
- | Комплект трубопроводной обвязки, запорно-регулирующей арматуры и КИП | - | Комплект |
- | Дверь | - | 1 шт. |
БК12 | Блок-контейнер №12 | - | Комплект |
ФОВ-2.1 ФОВ-2.2 | Фильтр напорный осветлительный | V3 | 2 шт. |
- | Комплект трубопроводной обвязки, запорно-регулирующей арматуры и КИП | - | Комплект |
БК13 | Блок-контейнер №13 (обслуживание блока БК1) | - | - |
БК14 | Блок-контейнер №14 (обслуживание блока БК2) | - | - |
- | Окно | - | 1 шт. |
БК15 | Блок-контейнер №15 (обслуживание блока БК3) | - | - |
БК16 | Блок-контейнер №16 (обслуживание блока БК4) | - | - |
БК17 | Блок-контейнер №17 (обслуживание блока БК5) | - | - |
БК18 | Блок-контейнер №18 | - | - |
- | Операторская | - | 1 шт. |
БК19 | Блок-контейнер №19 | - | - |
ФСВ-1 | Фильтр напорный сорбционный | V3 | - |
БК20 | Блок-контейнер №20 (обслуживание блока БК8) | - | - |
БК21 | Блок-контейнер №21 | - | - |
ФСВ-2 | Фильтр напорный сорбционный | V3 | - |
БК22 | Блок-контейнер №22 | - | - |
ФОВ-1.1 ФОВ-1.2 | Фильтр напорный осветлительный | V3 | - |
БК23 | Блок-контейнер №23 (обслуживание блока БК11) | - | - |
- | Окно | - | 1 шт. |
- | Система приточной вентиляции | - | 1 шт. |
- | Система вытяжной вентиляции | - | 1 шт. |
БК24 | Блок-контейнер №24 | - | - |
ФОВ-2.1 ФОВ-2.2 | Фильтр напорный осветлительный | V3 | - |
1.2 Описание работы блока
Исходные усредненные по составу и расходу сточные воды подаются насосами перекачки сточных вод на блок. Управление насосами перекачки сточных вод, осуществляется по уровню из единого шкафа управления блока.
Исходные стоки поступают на сепараторы фазовые поз. ФСД-1, ФСД-2. Предварительно перед подачей на сепаратор в поток исходных стоков дозируются растворы коагулянта перед статическими смесителеми поз. СМ-1.1, СМ-2.1 и флокулянта – перед статическими смесителеми поз. СМ-1.2, СМ-2.2.
Сепаратор представляет собой сварной, прямоугольный в плане резервуар с установленным в нем тонкослойным модулем. В нижней части резервуара имеется конусная часть, предназначенная для сбора осадка. Слив осадка из конусов осуществляется периодически путем открытия задвижек с электроприводом.
Конструкция тонкослойного модуля представляет собой ячеистую конструкцию, тонкослойные элементы устанавливаются под углом 600 к горизонту, что обеспечивает эффективное продвижение осадка к конусам отстойника. Осветляемый поток из переливного кармана направляется снизу-вверх в зону с тонкослойными модулями. Взвешенные частицы, накапливаясь, сползают по наклонной поверхности тонкослойных элементов в нижнюю коническую часть сепаратора. Осветленная вода поступает в камеру чистой воды.
Конструкция сепараторов фазовых предусматривает возможность периодического удаления всплывших нефтепродуктов. В верхней части сепаратора имеются сливные патрубки ниже рабочего уровня воды, от которых отходит трубопровод в резервуар уловленных нефтепродуктов поз. РНН, расположенный в блоке. На данном трубопроводе установлена ручная арматура, при открытии которой пленка нефтепродуктов сливается в указанный резервуар. Собранные нефтепродукты перекачиваются насосом поз. Н5 в уличную емкость сбора нефтепродуктов. Далее Заказчик автотранспортом отвозит собранные нефтепродукты на сооружения их обработки.
Обработка воды 5-10% раствором коагулянта марки «Аква-Аурат-30» (оксихлорид алюминия) обеспечивает эффективную очистку от взвешенных веществ и нефтепродуктов. Введение в исходный поток раствора коагулянта вызывает дестабилизацию коллоидной системы и формирование хлопьев гидроксидов алюминия и взвешенных веществ, которые впоследствии отделяются в результате отстаивания на тонкослойном модуле.
Приготовление и дозирование раствора коагулянта осуществляется при помощи узлов приготовления коагулянта поз. БК-1, БК-2. Блок включает в себя емкости оборудованные электрическими мешалками, шкаф распределительный, а также насосы-дозаторы поз. Нд-1.1-Нд-1.2.
Для приготовления рабочего раствора коагулянта используется вода хозяйственно- питьевого водопровода, которая подается от сети через разрыв струи.
Приготовление и дозирование раствора флокулянта осуществляется при помощи узлов приготовления флокулянта поз. БФ-1, БФ-2. Блок включает в себя емкости оборудованные электрическими мешалками, шкаф распределительный, а также насосы-дозаторы подачи раствора на сепараторы ФСД поз. Нд2.1-Нд2.2 и насос-дозатор подачи раствора на ленточный фильтр-пресс ЛФП поз. Нд2.3.
Для приготовления раствора флокулянта используется вода хозяйственно-питьевого водопровода, которая подается от сети через разрыв струи.
Осветленная вода после сепаратора фаз поступает в его камеру чистой воды, откуда насосом поз. Н1.1 (Н1.2, Н2.1, Н2.2) подается на фильтры поз. ФОВ-1.1, ФОВ-1.2 (ФОВ-2.1, ФОВ-2.2) направляется на механическую фильтрацию.
На стадии механической фильтрации процесс отделения примесей осуществляется на напорных фильтрах поз. ФОВ-1.1, ФОВ-1.2, ФОВ-2.1, ФОВ-2.2 с зернистой загрузкой (кварцевый песок). Механические фильтры обеспечивают доочистку стоков от взвешенных веществ перед подачей на сорбционные фильтры поз. ФСВ-1, ФСВ-2 (материал загрузки - уголь активированный).
Режим работы механических фильтров:
• Режим фильтрации сверху вниз через слой зернистой загрузки;
• Режим обратноточной промывки;
• Режим успокоения загрузки.
Предусмотрена водо-воздушная промывка механических фильтров. Подача воздуха обеспечивается компрессором поз. К-1 (К-2). Подача воды на промывку осуществляется из резервуара чистой воды поз. РЧВ насосами поз. Н4.1, Н4.2 (оба в работе). Промывные воды механических фильтров отводятся в сепараторы фазовые.
Промывка фильтров осуществляется в ручном режиме путем открытия/закрытия соответствующих задвижек. Кроме того, на панели управления перед началом промывки будет выводиться сообщение о необходимости промыть тот или иной фильтр. При отсутствии промывки более 2ч после выведения указанного сообщения, на «верхний» уровень будет подаваться сигнал «Авария».
Суть процесса промывки – оператор перекрывает арматуру на линиях подачи и отвода стоков, открывает арматуру на линиях подачи и отвода промывной воды и на панели управления включает режим промывки фильтра. По истечении времени промывки, выводится сообщение, что фильтр промыт и требуется его перевод в рабочий режим. Включение и отключение промывных насосов и воздуходувки – автоматическое.
Подача на фильтр сорбционной очистки поз. ФСВ-1, ФСВ-2 осуществляется под остаточным давлением. На сорбционных фильтрах сорбция осуществляется в направлении сверху вниз через слой сорбирующей загрузки (активированный уголь). Сорбционные фильтры обеспечивают доочистку стоков от нефтепродуктов до норм сброса.
Режим работы сорбционных фильтров:
• Режим фильтрации сверху вниз через слой фильтрующей загрузки;
• Режим обратноточной промывки (взрыхление);
• Режим успокоения загрузки.
Промывка фильтров осуществляется в ручном режиме аналогично вышеописанной для механических фильтров. Отличием является то, что промывка водная (без подачи воздуха) и в работе находится один промывной насос, второй в резерве. Промывные воды сорбционных фильтров также отводятся в сепараторы фазовые. Фильтрат сорбционных фильтров направляется на блок ультрафиолетового обеззараживания поз. УФО1,2, включающий 2-е УФ-установки.
Установка состоит из следующих основных частей:
• Камера обеззараживания – предназначена для УФ обеззараживания обрабатываемой воды. В корпусе камеры установлен защитный кварцевый чехол с бактерицидной УФ-лампой внутри.
• Пульт управления – предназначен для контроля и управления работой установки, для пуска, питания и контроля работы ламп, а также для управления блоком промывки;
• Блок промывки – предназначен для химической промывки камеры обеззараживания.
Очищенная и обеззараженная вода после обеззараживания ультрафиолетом направляется на сброс.
Переработка образующегося в ходе очистки осадка осуществляется на ленточном филтр-прессе поз. ЛФП. Осадок из конусов сепараторов поз. ФСД-1, ФСД-2 периодически выводится путем открытия задвижек с электроприводом с последующей откачкой насосом поз. Н3.1 (Н3.2) в уплотнитель осадка поз. У. Предусмотрено перемешивание осадка воздухом от компрессора поз. К-1 (К-2) для усреднения его состава. Усредненный осадок подается насосом поз. Н-6.1 (Н-6.2) на ленточный фильтр-пресс поз. ЛФП. ЛФП обеспечивает получение обезвоженного осадка с влажностью не более 80%. Для улучшения седиментационных свойств осадка в емкость флокуляции ЛФП дозируется раствор флокулянта от узла приготовления флокулянта поз. БФ-1 (БФ-2) при помощи насоса-дозатора поз. Нд2.3. Работа фильтр-пресса поз. ЛФП осуществляется в непрерывном режиме, что обеспечивает простоту его эксплуатации и обслуживания. Периодически осуществляется промывка обезвоживающего барабана. Для промывки используется вода хозяйственно-питьевого водопровода, которая подается от сети через разрыв струи. Промывные воды и фильтрат от обезвоживателей отводятся в сепараторы фазовые сточных вод. Обезвоженный осадок с влажностью не более 80% сбрасывается в контейнер и направляется к местам временного хранения отходов с их последующей утилизацией.